Ventile     Ventilarten     6.5 Proportionalventile
Proportionalventile

Während mit den bisher besprochenen Ventilen mehr oder weniger einfache Schaltvorgänge realisiert werden, kommen die Proportionalventile zur Regelung von Drücken und Durchflüssen zum Einsatz.



Der proportionale Zusammenhang

x: Sollwert, z.B. eine Spannung oder ein Strom
y: Istwert, z.B. ein druck oder ein Volumenstrom



Einen Vorgang zu regeln heißt, dass der Änderung eines Eingangssignals (Aktion) die ganz bestimmte Änderung eines Ausgangssignals (Reaktion) folgen muss. Da die Zuordnung von Aktion und Reaktion in einem vorgegebenen Größenverhältnis erfolgt, spricht man hier von Proportionalität. Und das ist die wichtigste Grundeigenschaft der Proportionalventile – die Umsetzung eines Eingangssignals in ein bestimmtes Ausgangssignal.

Die Abbildung zeigt das Prinzip einer Anwendung, bei der ein Proportionalventil benutzt wird, um die Spannkraft beim Abspulen von Stoffbahnen u.ä. konstantzuhalten.



Anwendung eines Proportional-Druckregelventils

1 Stoffbahn o.ä.
2 Sensor
3 Spanneinrichtung ( Pneumatikzylinder und Spannrollen )
4 Proportional-Druckregelventil



Entsprechend einer elektrischen Sollwertvorgabe der Steuerung regelt das Proportionalventil den Druck am Spannzylinder und damit letzten Endes die Spannkraft.

Grundsätzlich gibt es zwei Arten von Proportionalventilen:

·  die Proportional-Druckregelventile und
·  die Proportional-Stromregelventile ( auch Proportional-Wege- oder Mengenventile )



Ein Proportional-Stromregelventil von Festo





Proportionalventile bestehen aus zwei Elementen:

·  einer Vorsteuerung und
·  einer Ventileinheit.

Die Vorsteuerung besteht aus den Vorsteuerventilen, einem Sensor und einer Auswerteelektronik.
In die Ventileinheit sind ausschließlich pneumatische Funktionen integriert. In die Ventileinheit sind ausschließlich pneumatische Funktionen integriert.


Proportional-Druckregelventile

Bei den Proportional-Druckregelventilen gibt es zwei Ausführungen:

·  die schaltend geregelten und
·  die stetig geregelten Ventile.

Schaltend geregelte Proportional-Druckregelventile
In der Vorsteuerung befinden sich zwei 2/2-Wegeventile als Vorsteuerventile, ein Drucksensor und die Auswerteelektronik.

Der Ventilblock, den man bei den Proportional-Druckregelventilen Booster nennt, besteht aus zwei Funktionseinheiten.
Zum einen aus einem Steuerkolben mit einer Dichtungsmembrane und zum anderen aus einem Steuerschieber, der die Luftkanäle 1, 2 und 3 des Ventils miteinander verbindet oder gegeneinander sperrt.



Schaltstellung 1 eines Proportional-Druckregelventils

1 Druckluftanschluss
2 Arbeitsanschluss
3 Abluftanschluss
4 Vorsteuerventile
5 Drucksensor
6 Federn
7 Booster ( Ventilblock )
8 Steuerschieber


Als Sollwert für einen zu regelnden Druck wird am Anschluss des Steuerblocks entweder eine elektrische Gleichspannung z.B. 0-10 V oder ein Strom z.B. 0-20 mA; 4-20 mA angelegt. Spannung oder Strom entsprechen dann einem bestimmten zu regelnden Druck.

Der Istdruck am Anschluss 2 wird von dem integrierten Drucksensor gemessen und an die Elektronik weitergeleitet. Diese vergleicht nun den tatsächlichen Druck (Istwert) mit dem gewünschten Druck (Sollwert). Entsprechend der Regelabweichung schaltet die Elektronik die Vorsteuerventile und damit letztlich die Arbeitsstellungen des Ventils, bis der gewünschte Druck erreicht ist.

Drei Schaltstellungen sind möglich:

Schaltstellung 1 ( siehe Abbildung oben) :
·  Kanäle 1 und 3 geschlossen;
·  Ausgangsstellung stromlos oder der Arbeitsdruck entspricht dem Sollwert.

Im stromlosen Zustand sind die beiden Vorsteuerventile im Steuerblock geschlossen und der Steuerschieber im Booster wird von seinen Federn in Mittelstellung gebracht. Damit sind die Kanäle 1 und 3 beide geschlossen und der Arbeitsanschluss 2 wird weder be- noch entlüftet.

Dieser Zustand wird auch dann eingenommen, wenn der Arbeitsdruck am Anschluss 2 auf den entsprechenden Sollwert gebracht worden ist. In diesem Fall entsteht durch den Druck links am Steuerkolben und den Arbeitsdruck am Anschluss 2 an den beiden Seiten des Steuerkolbens ein Kräftegleichgewicht – der Steuerkolben nimmt die mittlere Stellung ein. Der Druck für die Vorsteuerventile wird im Ventil vom Druckluftanschluss abgenommen.

Schaltstellung 2:
·  Senken des Drucks am Anschluss 2

Am Arbeitsanschluss 2 liegt ein Druck an, der höher ist als der Sollwert. Dieser Druck liegt durch einen Verbindungskanal auch an der rechten Seite des Steuerkolbens an und wirkt auf den Steuerkolben. Gleichzeitig erfasst der Drucksensor über einen weiteren Kanal den aktuellen Druck am Anschluss 2. Sobald die Elektronik feststellt, dass dieser Druck über dem Vorgabewert liegt, betätigt sie das Vorsteuerventil zum Entlüften der linken Seite des Steuerkolbens. Dadurch bewegt sich der Steuerkolben nach links und die Verbindung zwischen den Kanälen 2 und 3 wird zum Entlüften freigeschaltet.



Schaltstellung 2 eines Proportional-Druckregelventils

1 Druckluftanschluss
2 Arbeitsanschluss
3 Abluftanschluss
4 Vorsteuerventil zum Entlüften




Schaltstellung 3:
·  Erhöhen des Drucks am Anschluss 2

Liegt am Anschluss 2 ein Arbeitsdruck an, der geringer ist als der Sollwert, verringert sich auch die Kraft, die den Steuerkolben nach links drückt. Der Drucksensor gibt ein Signal an die Steuerelektronik, das das Vorsteuerventil zum Belüften des Steuerkolbens öffnet. Der dann an der linken Seite des Steuerkolbens anliegende Druck bewirkt eine Bewegung des Steuerschiebers nach rechts, so dass zunächst die Verbindung der Kanäle 2 und 3 geschlossen ( wie Mittelstellung ) und dann die Verbindung zwischen 1 und 2 geöffnet wird.



Schaltstellung 2 eines Proportional-Druckregelventils

1 Druckluftanschluss
2 Arbeitsanschluss
3 Abluftanschluss



Als Schaltbild kann man schaltende Proportional-Druckregelventile so darstellen:



Schaltbild eines Proportional-Druckregelventils

1 Druckluftanschluss
2 Arbeitsanschluss
3 Abluftanschluss
4 Soll-Wert
5 Ist-Wert
6 Vorsteuerung


Die Ausführung dieser Ventile als schaltende Ventile – im Gegensatz zu den stetig regelnden – hat Vor- und Nachteile.

Als Vorteil ist zu sehen, dass es im stromlosen Zustand (Schaltstellung 1) alle Kanalverbindungen schließt. Damit ist beispielsweise bei einem Stromausfall gesichert, dass die Anlage im momentanen Zustand bleibt und weder be- noch entlüftet wird. Allerdings muss dabei beachtet werden, dass durch die Eigenleckage des Ventils dieser Zustand nur begrenzte Zeit anhält.

Außerdem ist es für statische Einsatzfälle interessant bei denen nur selten eine Regelung erforderlich ist. Solange keine Regelung erforderlich, also der Solldruck erreicht ist, schließt das Ventil und benötigt somit auch keinen Strom - arbeitet also sehr energiesparend.

Nachteilig ist jedoch, dass durch die Schaltvorgänge im Steuerblock während der Regelprozesse eine permanente Geräuschentwicklung entsteht, die unter Umständen stören kann.

Stetig geregelte Proportional-Druckregelventile

Der Unterschied zu den schaltend geregelten Ventilen besteht in der Vorsteuerung. Die Funktion des Ventilblocks – dem Booster – ist identisch mit dem der schaltenden Version.

Die Vorsteuerung besteht aus einem kraftgesteuerten Proportionalmagneten und einem Ventil.


Schaltbild eines Proportional-Druckregelventils

1 Druckluftanschluss
2 Arbeitsanschluss
3 Abluftanschluss
4 Soll-Wert
5 Ist-Wert
6 Vorsteuerung


Der Sollwert in Form einer elektrischen Spannung oder eines Stroms bewirkt, dass der Anker des Magnets mit einer bestimmten Kraft herausgedrückt wird – in der Darstellung nach rechts.

Schaltbild eines Proportional-Druckregelventils

1 Druckluftanschluss
2 Arbeitsanschluss
3 Abluftanschluss
4 Proportionalmagnet
5 Vorsteuerung
6 Booster


Der Proportionalmagnet erzeugt entsprechend dem Sollwert eine Kraft, mit der der Anker den Dichtungssitz verschließt. Die erzeugte Kraft des Proportionalmagneten auf der einen Seite, die Kraft der Rückstellfeder und die auf den Vorsteuerschieber wirkende Kraft durch den Druck in der Kammer 2 auf der anderen Seite, beeinflussen dann die Funktion des Boosters.


Detail des Vorsteuerschiebers

1 Vorsteuerschieber
2 Kammer 2
3 Anker
4 Rückstellfeder



Die Bezeichnung "Booster" wird häufig mit einem Druckverstärker in Zusammenhang gebracht. Die beschriebenen Proportional-Druckregelventile können aber nicht als Druckverstärker eingesetzt werden. Vorsteuerung und Ventilteil arbeiten mit dem gleichen Arbeitsdruck.

Die Verstärkung liegt im Bereich des Volumenstroms. Mit einem kleinen Volumenstrom im Vorsteuerteil können größere Mengen im Ventilteil geregelt werden – deshalb die Bezeichnung "Booster".

In diesem Sinne sind die Ventile auch so konzipiert, dass der Vorsteuerteil entsprechend dem Arbeitsdruck ausgewählt wird. Der Booster wird nach dem Volumenstrom ausgewählt und mit dem Vorsteuerteil kombiniert.

Proportional-Stromregelventile

Während bei den "normalen" Wegeventilen ausschließlich die einzelnen Schaltstellungen eingenommen werden können, lassen die Proportional-Wegeventile auch Zwischenstellungen zu. Das heißt, dass neben den Endstellungen "Auf" oder "Zu" auch Zwischenstellungen "weniger geöffnet" möglich sind.


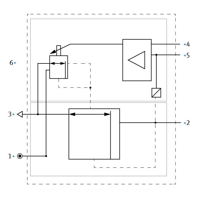
Schaltbild eines Proportional-Stromregelventils

1 Druckluftanschluss
2, 4 Arbeitsanschlüsse
3,5 Abluftanschlüsse
6 Proportionalmagnet



Das Betätigungselement zum Schalten der Arbeitsstellungen ist ein hubgesteuerter Proportionalmagnet.

Angesteuert von einer Elektronik verändert dieser Magnet in den Segmenten seiner Spule die Spannungen.

Entsprechend der veränderten Feldstärken wird dadurch die Position des Steuerkolbens verändert. Gleichzeitig werden damit durch den Steuerkolben die einzelnen Luftkanäle verschieden weit geöffnet bzw. geschlossen.


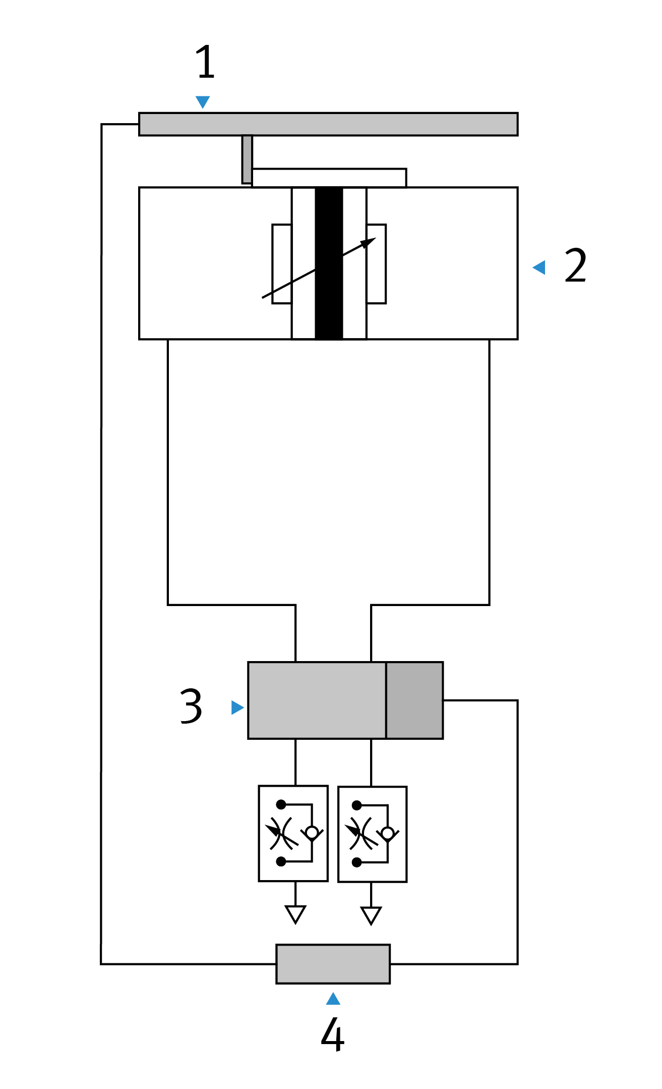
Längsschnitt eines Proportional-Stromregelventils

1 - 5 Druckluftanschlüsse
6 elektrischee Anschlüsse ( Strom- und Signalübertragung)
7 Proportionalmagnet
8 Hall - Sensor
9 Steuerkolben
10 Spulensegment


Die Position des Steuerkolbens wird durch einen Hall-Sensor erfasst, der die Feldstärke des Magneten im Steuerkolben misst und als Information an die Auswerteelektronik weitergibt.

Durch die mehr oder weniger geöffneten Luftkanäle kann nun die Durchflussmenge beeinflusst werden. Damit lassen sich beispielsweise Zylinder nicht nur in der Bewegungsrichtung (durch die grundsätzliche Funktion des 5/3-Wegeventils), sondern auch in der Geschwindigkeit steuern bzw. regeln. Das Ventil übernimmt hier sozusagen eine Drosselfunktion.


Längsschnitt eines Proportional-Stromregelventils

1 - 5 Druckluftanschlüsse
6 elektrischee Anschlüsse ( Strom- und Signalübertragung)
7 Proportionalmagnet
8 Hall - Sensor
9 Steuerkolben
10 Spulensegment


Mit einer Schaltfrequenz von ca. 100 Hz erreichen diese Ventile eine sehr hohe Dynamik. Möglich wird das auch dadurch, dass der Steuerkolben nahezu reibungsfrei und deshalb mit äußerst geringen Kräften bewegt werden kann – eine Eigenschaft, durch die die Durchflussmengen sehr feinfühlig geregelt werden können.

Eingesetzt werden die Proportional-Wegeventile beispielsweise zur Geschwindigkeitsregelung von Pneumatikzylindern. Die Abbildung auf der folgenden Seite zeigt eine Anwendung, bei der die Geschwindigkeit von Dreh- und Linearantrieb in den Endlagen reduziert wird, um sanfter in diese einzufahren.


Beispiel einer Geschwindigkeitsregelung
bei einem Dreh- Linearantrieb

1 Proportional-Stromregelventil
2 Drehantrieb
3 Elektronik zum Ventil
4 Werkstück
5 Linearantrieb



Wichtig für den Einsatz ist auch zu wissen, dass diese Ventile bei Stromausfall keine definierte Stellung einnehmen. Dabei spielt auch die Einbaulage eine Rolle. Waagerecht eingebaut können sie unter Umständen die augenblickliche Schaltstellung beibehalten. In senkrechter Einbaulage würde sich aber der Steuerkolben eventuell verschieben. Das hängt auch davon ab, welche Restmenge Luft durch die verschiedenen Kanäle noch entweichen kann oder wie die Druckverhältnisse zueinander sind. Es ist also eine recht unbestimmte Sache, was in einem solchen Fall passiert.

Durch einen reinen Druckluftausfall wird die Schaltstellung hingegen nicht beeinflusst.

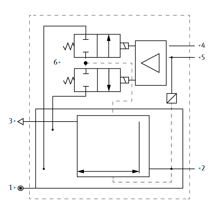
Eine weitere Möglichkeit der Anwendung der Proportional-Stromregelventile besteht darin, sie zum Positionieren von Zylindern zu benutzen. In solch einem Fall wird der Zylinder mit einem Wegmesssystem ausgestattet, das eine Rückmeldung zur aktuellen Position des Kolbens gibt. Zur Erreichung ein bestimmten Position wird der Volumenstrom in bzw. aus dem Zylinder geregelt. Dieses Thema ist aber Inhalt des Kapitels Positionieren dieses Handbuchs.



Schaltbild eines Zylinders mit Wegmesssystem
1 Wegmesssystem
2 kolbenstangenloser Zylinder
3 Proportional-Stromregelventil
4 Auswerte- und Steuerelektronik






<  Startseite Simplex

Logikventile >


Sitemap Ventile